En
  • English

  • Japanese

  • Korean

TX7 Intelligent Fire Alarm System

Intelligent Fire Alarm Control Panel TX7004

  • EN54-2:1997+A1:2006;EN54-4:1997+A1:2002+A2:2006 Certified
  • Advance microprocessor technology with large memory capacity fire detection panel, available in a 1, 2 or 4 loop assembly
  • Enhance user interface combining wide LCD Touch screen, color display and keypad access
  • Support real time visual algorithm
  • Enhance false alarm prevention
  • Keypad and PC programming
  • Built-in 4-in-1Multiple interface protocol such as USB/Ethernet/Can Bus/ Serial RS232 & 485
  • Support Loop Powered devices for extra saving on cablecost
  • Built-In Printer and 160 LED Zones Indicators
Get A Quote
Download Resources

Commissioning Advantage

  • Auto Enrolling of Devices
  • Loop Mapping with colour coding status
  • Monitor device mismatch and dual address conflict
  • Command Builder to create require ments for fire eventscenario
  • With Loop protection against power surge
  • One-man test with On/Off sounder
  • Programming Protection

System Capacity

  • Support 254 Devices/one loop(1,524 ideal)
  • Network up to 512 Nodes
  • Zones up to 3000
  • Groups up to 3000
  • Memory[Non-Volatile] 1,000 Fire events 10,000 General events

Technical Specifications

Approvals LPCB / CE-CPR
Input Voltage 230VAC +10%~15%, 50Hz
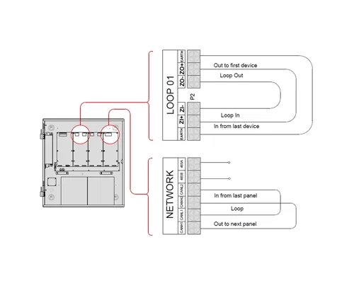
Network Panel to Panel 512 Panels – Single Ring (Ideal)
Communication Card USB, CanBus, RS485 / RS232 Serial, Ethernet (Built-in to TX7004, Optional to TX7004-1/2)
Protocol / Addressing T&A, Value range from 1 to 254
No. of Loop 1, 2, 4, 6 Loop (6 Loop standalone)
Protection Built-in 4kV Surge protection

Panel Input/outputs

Programmable Relays 4 circuits: Normally Open/Close
Programmable Input 1 Circuit: Power limited 24VDC
Programmable Aux Power Limited 19–28VDC
Fixed Outputs 2 Circuits: Power limited 18–28VDC
Indicator 24 LED Status / 160 Zone Indicators
Display 7" TFT Touch Screen
Keypad 5 Brigade buttons and Programming Keypad
Material / Color Flat sheet Metal / with outer glass door
Dimension (H×W×D) 530 × 490 × 135 mm
Weight 16.70 kg
Temperature -5°C ~ +40°C
Humidity 0 to 95% RH, Non-condensing